Предназначены для измерения избыточного и вакуумметрического давления неагрессивных некристаллизующихся жидкостей и газов, в том числе кислорода, водорода, ацетилена, и применяются дпя контроля технологических процессов в различных отраслях промышленности.
ТИПЫ
МТП-1М, МВТП-1М – манометр, мановакуумметр без фланца с радиальным штуцером.
МТП-2М, МВТП-2М – манометр, мановакуумметр с задним фланцем с радиальным штуцером.
МТП-3М, МВТП-3М – манометр, мановакуумметр с передним фланцем с осевым штуцером.
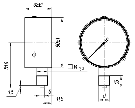
МТП-4М, МВТП-4М – манометр, мановакуумметр без фланца с осевым штуцером.
ОСНОВНЫЕ ТЕХНИЧЕСКИЕ ХАРАКТЕРИСТИКИ
|
1. Верхние значения диапазона показаний, |
|
|
|
2. Классы точности |
2,5; 4-2,5-4; 4 |
|
|
3. Температура окружающей среды, °С |
–60…+60 |
|
|
4. Климатическое исполнение |
В3 |
|
|
5. Относительная влажность, % |
до 80 |
|
|
6. Степень защиты от воздействия пыли и воды |
IP42 |
|
|
7. Присоединительная резьба |
М12х1,5 |
|
|
8. Диаметр корпуса, мм |
60 |
|
|
9. Масса, кг, не более |
0,16 |
|
|
10. Изготавливаются по |
ТУ 25-7310.0045-87 |
|
|
|
Примечание: Для измерения давления ацетилена верхние пределы показаний манометров: 4 и 40 кгс/см2.
Габаритные и присоединительные размеры

d - по заказу потребителя изготовляется:
М12х1,5; G1/4-А ГОСТ 6357-81 или R1/4 ГОСТ 6211-81
ОФОРМЛЕНИЕ ЗАКАЗА
|
При заказе необходимо указать:
|
Пример заказа: Манометр в корпусе без фланца с осевым штуцером с верхним значением диапазона показаний 25 кгс/см2, класса точности 4-2, 5-4 без демпфера: |
- Цена: Цену уточняйте


