Предназначены для измерения давления жидких и газообразных сред и коммутации внешних электрических цепей.
ОСНОВНЫЕ ТЕХНИЧЕСКИЕ ХАРАКТЕРИСТИКИ
|
1. Верхние значения показаний, кгс/см2 |
|
|
|
ДА2005Сг |
-1…0…3; -1…0…5; -1…0…9; |
|
|
2. Классы точности |
1,5; 2,5 |
|
|
3. Температура окружающей среды, °С |
–50…+50 |
|
|
4. Климатическое исполнение |
У2 |
|
|
5. Относительная влажность воздуха при температуре 35°С, % |
95 |
|
|
6. Степень защиты от воздействия пыли и воды |
IP40 или IP53 |
|
|
7. Виброустойчивость, группа |
L3 |
|
|
8. Напряжение внешних коммутируемых цепей: |
|
|
|
9. Разрывная мощность контактов |
|
|
|
10. Значение коммутируемого тока, А |
от 0,01 до 1 |
|
|
11. Сигнализирующее устройство, исполнения по ГОСТ 2405: два замыкающих контакта: оба указателя (max) - красные левый контакт размыкающий (min) - зеленый, левый контакт замыкающий (min) - зеленый, |
IV V (основное)
|
|
|
12. Присоединительная резьба |
М20х1,5 |
|
|
13. Масса, кг, не более |
1,4 |
|
|
14. Изготавливаются по |
ТУ 4212-173-00225621-2009 |
|
|
|
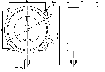
Габаритные и присоединительные размеры

ОФОРМЛЕНИЕ ЗАКАЗА
|
При заказе необходимо указать:
|
Пример заказа: |
- Цена: Цену уточняйте


Отправка с 15 августа 2026