Указатель напряжения WN-711 предназначен для измерения и отображения на светодиодной шкале величины напряжения в однофазной сети переменного тока. Применяется для визуального контроля напряжения в распределительных щитах, технологическом оборудовании, системах диспетчеризации и т.п.
Принцип работы: При подключении к сети питания в течение 2-х секунд выполняется тест индикатора: поочередное свечение всех светодиодов. Далее указатель переходит в рабочий режим. Если напряжение в пределах нормы (210-235 В), то светится один из зеленых светодиодов на светодиодной шкале. При снижении напряжения менее 190 В и повышении более 235 В светится один из красных светодиодов в соответствующей части шкалы.
Отличительные особенности указателя напряжения WN-711:
- Для измерения напряжения в однофазной сети переменного тока и отображения его величины на светодиодной шкале.
Особенности указателя напряжения WN-711:
- отображения на светодиодной шкале величины напряжения в трехфазной сети переменного тока.
Технические характеристики
| Артикул | EA04.007.004 |
| Код ETIM | EC002306 |
| Напряжение питания, В / Гц | 230 / 50 |
| Тип контролируемой сети | однофазная сеть |
| Диапазон индикации напряжения, В | 190...240 |
| Дискретность отображения напряжения, В | 5 |
| Погрешность измерения, В | ±2,5 |
| Индикация напряжения | 11 светодиодов |
| Степень защиты | IР20 |
| Потребляемая мощность, Вт | 0,8 |
| Степень загрязнения среды | 2 |
| Категория перенапряжения | III |
| Диапазон рабочих температур, °С | -25...+50 |
| Подключение | винтовые зажимы 2,5 мм2 |
| Момент затяжки винтового соединения, Нм | 0,4 |
| Габариты (ШхВхГ), мм | 18x90x63 |
| Масса, г | 90 |
| Тип корпуса | 1S |
| Монтаж | на DIN-рейку |
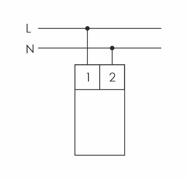
Схема подключения указателя напряжения WN-711

Информация для заказа
- Цена: Цену уточняйте


Отправка с 19 ноября 2025